
一、概述
我公司开发生产的G41F-10S、G41F-10F型增强聚丙烯、聚偏二氟乙烯隔膜阀,其阀体和阀盖等主要零件采用增强聚丙烯(FRPP)、聚偏二氟乙烯(PVDF)制作,密封阀片采用聚全氟乙丙烯(F46)并经过特殊工艺制成,具有无毒、无味、体轻、耐腐、密封好、外形美观、开启灵活等特点,是目前比较理想的一种耐腐蚀阀门。在国外整个塑料阀门市场中,此类阀门比重已达85%,在国内也有较快的发展。
二、型号说明

三、主要零件材质
| 材料 |
材质 |
| 阀体 |
FRPP;PVDF |
| 阀盖 |
FRPP;PVDF |
| 阀杆 |
钢,不锈钢 |
| 手轮 |
ABS |
| 阀瓣 |
铸铁、玻璃钢 |
| 阀片 |
F46 |
四、适用温度范围
| 材料 |
介质温度 |
| 增强聚丙烯(FRPP) |
-14℃~+80℃ |
| 聚偏二氟乙烯(PVDF) |
-40℃~+120℃ |
.jpg)
五、外形尺寸与安装尺寸
| 公称直径(DN) |
外形尺寸及安装尺寸(mm) |
工作压力(MPa)和工作温度 |
重量(Kg) |
| D1 |
D |
L |
b |
H |
n |
Ф |
FRPP |
PVDF |
FRPP |
FVDF |
| -14~40℃ |
41~60℃ |
61~100℃ |
-40~60℃ |
61~90℃ |
91~140℃ |
| 15 |
95 |
65 |
125 |
14 |
125 |
4 |
14 |
0.8 |
0.8 |
0.7 |
1 |
0.9 |
0.7 |
0.8 |
1.2 |
| 20 |
105 |
75 |
135 |
16 |
130 |
4 |
14 |
0.8 |
0.8 |
0.7 |
1 |
0.9 |
0.7 |
0.9 |
1.6 |
| 25 |
115 |
85 |
145 |
16 |
145 |
4 |
14 |
0.8 |
0.8 |
0.7 |
1 |
0.9 |
0.7 |
1 |
1.8 |
| 32 |
135 |
100 |
160 |
16 |
170 |
4 |
18 |
0.7 |
0.7 |
0.6 |
1 |
0.9 |
0.7 |
1.3 |
2.4 |
| 40 |
145 |
110 |
180 |
16 |
190 |
4 |
18 |
0.7 |
0.7 |
0.6 |
0.8 |
0.7 |
0.5 |
1.8 |
3 |
| 50 |
160 |
125 |
210 |
18 |
215 |
4 |
18 |
0.7 |
0.7 |
0.6 |
0.8 |
0.6 |
0.5 |
2.5 |
3.9 |
| 65 |
180 |
145 |
250 |
22 |
280 |
4 |
18 |
0.7 |
0.7 |
0.6 |
0.8 |
0.5 |
0.4 |
5 |
7.8 |
| 80 |
195 |
160 |
300 |
25 |
300 |
4 |
18 |
0.7 |
0.7 |
0.6 |
0.7 |
0.5 |
0.5 |
6.1 |
8.9 |
| 100 |
215 |
180 |
350 |
25 |
340 |
8 |
18 |
0.7 |
0.7 |
0.6 |
0.6 |
0.5 |
0.4 |
9.7 |
15 |
| 125 |
245 |
210 |
400 |
30 |
420 |
8 |
18 |
0.5 |
0.5 |
0.4 |
0.5 |
0.4 |
0.3 |
13.5 |
21 |
| 150 |
280 |
240 |
460 |
30 |
480 |
8 |
23 |
0.5 |
0.5 |
0.4 |
0.5 |
0.3 |
0.2 |
25 |
37 |
| 200 |
335 |
295 |
570 |
35 |
625 |
8 |
23 |
0.3 |
0.3 |
0.2 |
0.4 |
0.25 |
0.2 |
36.5 |
56 |
| 250 |
390 |
350 |
680 |
38 |
776 |
12 |
23 |
0.3 |
0.3 |
0.2 |
0.4 |
0.25 |
0.2 |
50 |
96 |

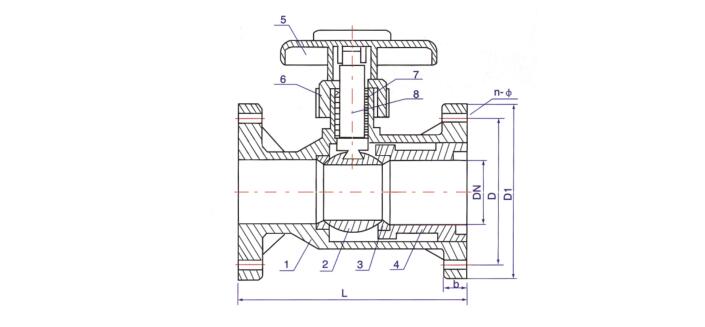
一、概述
我公司生产的全塑九游(中国)球阀是近年来发展起来的新颖产品,它具有耐腐蚀性能好,抗拉和抗弯强度高,耐温性较高、低温脆性小、比重轻等特点,可广泛应用于化工、炼油、化纤、环保、制药、造纸、冶金、印染、纺织、食晶等行业,在当前的“以塑代钢”的潮流中,是较为理想的节能防腐新产品。
二、型号说明
.jpg)
三、主要零件材质
| 材料 |
名称 |
材质 |
| 1 |
阀体 |
FRPP;PVDF |
| 2 |
球 |
FRPP;PVDF |
| 3 |
密封圈 |
PTFE |
| 4 |
内塞 |
FRPP;PVDF |
| 5 |
手轮 |
ABS |
| 6 |
压紧螺母 |
FRPP;PVDF |
| 7 |
密封 |
PTFE |
| 8 |
阀杆 |
FRPP;PVDF |
四、适用温度范围
| 材料 |
介质温度 |
| 增强聚丙烯(FRPP) |
-14℃~+80℃ |
| 聚偏二氟乙烯(PVDF) |
-40℃~+120℃ |

五、外形尺寸与安装尺寸
| 公称直径(DN) |
外形尺寸及安装尺寸(mm) |
工作压力(MPa) |
重量(Kg) |
| D1 |
D |
L |
b |
n |
Ф |
PVDF |
FRPP |
FVDF |
FRPP |
| 15 |
95 |
65 |
110 |
14 |
4 |
14 |
1.2 |
1 |
0.6 |
0.4 |
| 20 |
105 |
75 |
120 |
16 |
4 |
14 |
1.2 |
1 |
0.7 |
0.5 |
| 25 |
115 |
85 |
140 |
16 |
4 |
14 |
1.2 |
1 |
1 |
0.6 |
| 32 |
135 |
100 |
160 |
16 |
4 |
18 |
1.2 |
1 |
1.3 |
0.8 |
| 40 |
145 |
110 |
160 |
16 |
4 |
18 |
1.2 |
1 |
1.8 |
1 |
| 50 |
160 |
125 |
180 |
18 |
4 |
18 |
1.2 |
1 |
2.3 |
1.3 |
| 65 |
180 |
145 |
220 |
22 |
4 |
18 |
1.2 |
1 |
3.5 |
2 |
| 80 |
195 |
160 |
250 |
25 |
4 |
18 |
1.2 |
1 |
4.1 |
2.4 |
| 100 |
215 |
180 |
280 |
25 |
8 |
18 |
1.2 |
1 |
5.9 |
3.4 |
| 125 |
245 |
210 |
320 |
30 |
8 |
18 |
1 |
0.8 |
9.2 |
5.3 |
| 150 |
280 |
240 |
360 |
30 |
8 |
23 |
1 |
0.8 |
11.7 |
6.7 |
| 200 |
335 |
295 |
400 |
35 |
8 |
23 |
0.8 |
0.8 |
17 |
9.5 |
注: DN200以上口径为蜗旋式

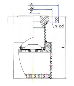
一、概述
该产品为超薄型对夹式衬胶蝶阀。阀体采用工程塑料一次注塑成型工艺,质量稳定;密封圈采用橡胶制成,耐腐耐用;采用对夹式连接结构,具有结构轻巧,重量轻,启闭方便迅速、流体阻力小、拆卸方便、安装不受任何限制等优点。可适用于气体、液体等腐蚀性介质,一般不需要维修。若配上电动或气动等执行机构后可实现自控、遥控。
二、型号说明
.jpg)
三、主要零件材质
| 材料 |
材质 |
材料 |
材质 |
| 阀体 |
FRPP;PVDF |
O型圈 |
EPDM;FPM |
| 阀瓣 |
FRPP;PVDF |
手柄 |
ABS;FRPP |
| 阀杆 |
304 |
螺母 |
FRPP;PVDF |
| 阀座 |
EPDM;FPM |
定位板 |
304;钢;铸铁 |
四、外形尺寸与安装尺寸
D71X-6S、D71X-6F手柄式蝶阀
| 公称直径 |
外形尺寸及安装尺寸(mm) |
工作压力(MPa) |
重量(Kg) |
操作 |
工作温度℃ |
| (DN) |
D1 |
D2 |
D3 |
L |
L1 |
H1 |
H2 |
n-Ф |
|
FRPP |
FVDF |
手柄式 |
|
| 40 |
47 |
110 |
150 |
200 |
39 |
86 |
70 |
4-18 |
0.7 |
1.2 |
1.5 |
|
|
| 50 |
56 |
125 |
160 |
220 |
40 |
88 |
70 |
4-18 |
0.7 |
1.3 |
1.6 |
|
FRPP |
| 65 |
71 |
145 |
185 |
220 |
46 |
100 |
70 |
4-18 |
0.7 |
1.7 |
2 |
|
-14℃~80℃ |
| 80 |
85 |
160 |
195 |
280 |
46 |
105 |
85 |
8-18 |
0.7 |
2.3 |
2.7 |
|
PVDF |
| 100 |
105 |
180 |
215 |
280 |
54 |
118 |
85 |
8-18 |
0.6 |
4 |
4.8 |
|
-40℃~+120℃ |
| 125 |
131 |
210 |
250 |
300 |
70 |
163 |
93 |
8-18 |
0.5 |
4.8 |
5.7 |
|
|
| 150 |
153 |
240 |
285 |
300 |
74 |
176 |
93 |
8-22 |
0.5 |
5.5 |
6.5 |
|
|
D371X-6S D371X-6F蜗轮式蝶阀
| 公称直径 |
外形尺寸及安装尺寸(mm) |
工作压力 |
重量(Kg) |
操作 |
工作温度℃ |
| (DN) |
D1 |
D2 |
D3 |
L |
L1 |
H1 |
H2 |
n-Ф |
(MPa) |
FRPP |
FVDF |
蜗轮式 |
|
| 125 |
131 |
210 |
250 |
300 |
70 |
163 |
93 |
8-18 |
0.5 |
4.8 |
5.7 |
|
|
| 150 |
153 |
240 |
285 |
300 |
74 |
176 |
93 |
8-22 |
0.5 |
5.5 |
6.5 |
|
|
| 200 |
204 |
295 |
340 |
180 |
87 |
210 |
93 |
12-22 |
0.4 |
19 |
22 |
|
FRPP |
| 250 |
255 |
350 |
395 |
180 |
114 |
240 |
93 |
12-22 |
0.3 |
28 |
32 |
|
-14℃~80℃ |
| 300 |
307 |
400 |
445 |
180 |
114 |
270 |
93 |
12-22 |
0.3 |
34 |
39 |
|
PVDF |
| 350 |
358 |
460 |
505 |
180 |
127 |
300 |
93 |
16-22 |
0.3 |
52 |
59 |
|
-40℃~+120℃ |
| 400 |
389 |
515 |
580 |
240 |
140 |
350 |
108 |
16-22 |
0.3 |
78 |
89 |
|
|
| 450 |
446 |
565 |
615 |
240 |
152 |
370 |
108 |
20-26 |
0.2 |
76 |
84 |
|
|
| 500 |
494 |
620 |
670 |
260 |
152 |
400 |
108 |
20-26 |
0.2 |
84 |
96 |
|
|
| 600 |
590 |
725 |
780 |
260 |
178 |
465 |
108 |
20-30 |
0.2 |
105 |
112 |
|
|
注:用户特殊需要时,可配电动或气动等执行机构。


.jpg)
四、外形尺寸与安装尺寸
| 公称直径 |
外形尺寸及安装尺寸(mm) |
| (DN) |
D1 |
D2 |
D3 |
d |
n |
L |
| 32 |
32 |
100 |
135 |
18 |
4 |
160 |
| 40 |
40 |
110 |
145 |
18 |
4 |
160 |
| 50 |
50 |
125 |
160 |
18 |
4 |
200 |
| 65 |
65 |
145 |
180 |
18 |
4 |
220 |
| 80 |
80 |
160 |
195 |
18 |
4 |
270 |
| 100 |
100 |
180 |
215 |
18 |
8 |
370 |
| 125 |
125 |
210 |
260 |
18 |
8 |
450 |
| 150 |
150 |
240 |
280 |
23 |
8 |
430 |
| 200 |
200 |
295 |
335 |
23 |
8 |
650 |
| 250 |
250 |
350 |
390 |
23 |
12 |
750 |
| 300 |
300 |
400 |
440 |
23 |
12 |
910 |
| 注:请垂直安装 |

一、概述
F4波形管道补偿器,又称柔性管道接头,其主要作用是补偿输液管路因热胀冷缩或开机震动等原因引起拉伸、挤压、扭曲而产生的应力,从而提高设备的使用性能。 该产品还具有活络法兰和弯头的功能,亦可当短接头使用,方便设备的安装,可应用于泵、管、阀、塔的进出口连接。
二、主要零件材质
| 名称 |
材质 |
| 保险螺杆 |
不锈钢 |
| 连接法兰 |
Q235-A |
| 波纹管 |
F4 |
| 保险圈 |
不锈钢 |
三、适应温度范围
.jpg)
四、外形尺寸与安装尺寸
| 公称直径 |
L |
安全伸缩 |
波纹数 |
F4 |
加强圈不锈钢丝 |
法兰(10kg/cm2) |
| (DN) |
(个) |
厚度 |
直径 |
D |
厚度 |
d |
n |
| 25 |
90 |
15 |
4 |
2 |
3 |
85 |
14 |
14 |
4 |
| 32 |
90 |
15 |
4 |
2 |
3 |
100 |
16 |
18 |
4 |
| 40 |
90 |
15 |
4 |
2.5 |
3 |
110 |
18 |
18 |
4 |
| 50 |
90 |
15 |
3 |
2.5 |
3 |
125 |
18 |
18 |
4 |
| 65 |
100 |
15 |
3 |
2.5 |
3 |
145 |
20 |
18 |
4 |
| 80 |
100 |
20 |
3 |
2.8 |
4 |
160 |
20 |
18 |
8 |
| 100 |
120 |
20 |
3 |
2.8 |
5 |
180 |
22 |
18 |
8 |
| 125 |
130 |
20 |
3 |
2.8 |
6 |
210 |
24 |
18 |
8 |
| 150 |
150 |
20 |
3 |
2.8 |
6 |
240 |
24 |
18 |
8 |
| 200 |
150 |
20 |
3 |
2.8 |
6 |
295 |
24 |
23 |
12 |
| 250 |
160 |
20 |
3 |
2.8 |
6 |
350 |
26 |
23 |
12 |
| 300 |
160 |
20 |
3 |
2.8 |
6 |
400 |
28 |
23 |
12 |
| 350 |
160 |
20 |
3 |
2.8 |
6 |
460 |
28 |
23 |
16 |
| 400 |
180 |
20 |
3 |
2.8 |
6 |
515 |
30 |
25 |
16 |
| 450 |
180 |
20 |
3 |
2.8 |
6 |
565 |
30 |
25 |
20 |
| 500 |
200 |
20 |
3 |
2.8 |
6 |
620 |
32 |
25 |
20 |
| 600 |
200 |
20 |
3 |
2.8 |
6 |
725 |
36 |
30 |
20 |
|